Home
Connections
Modules
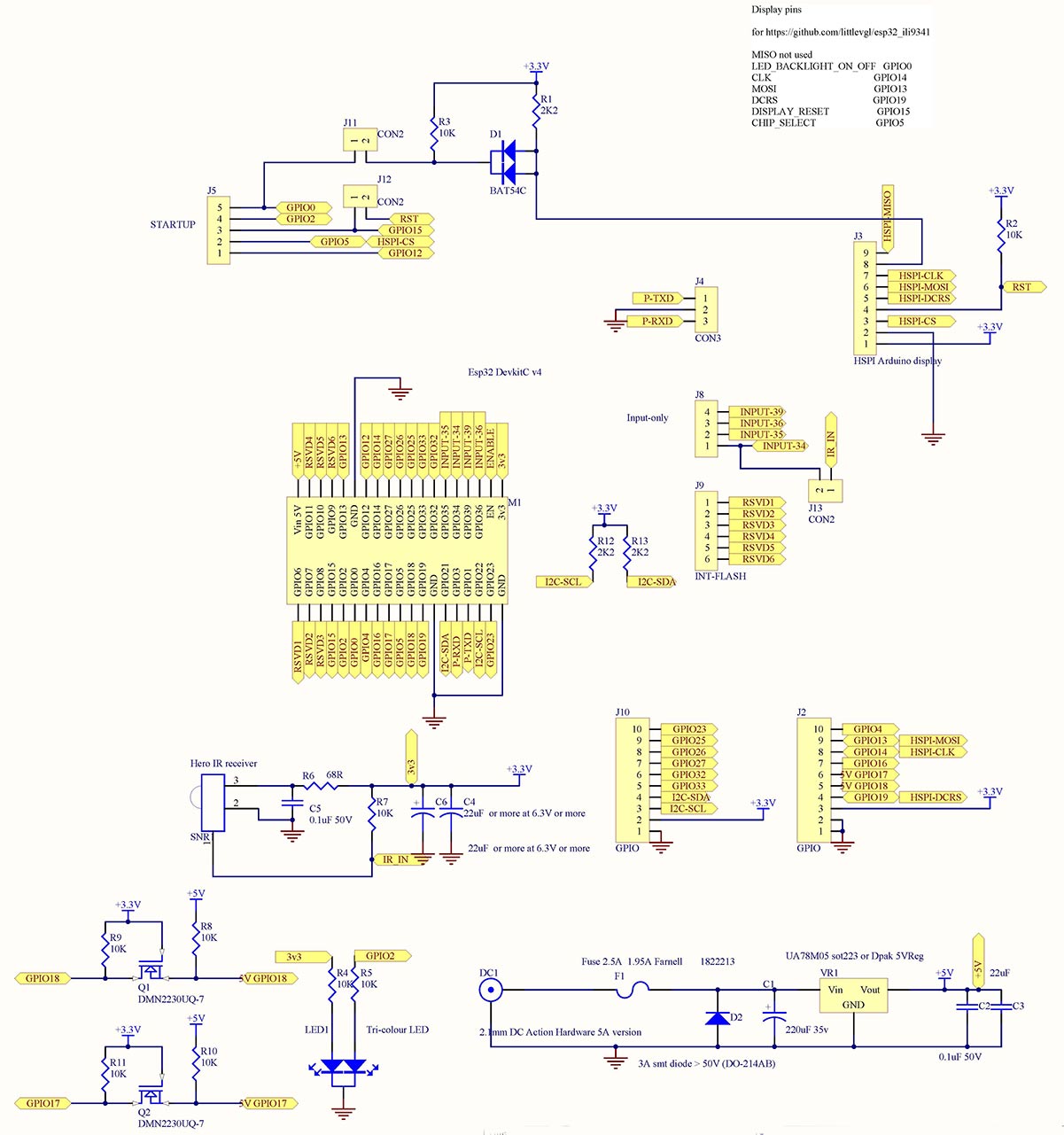
Schematic
ESPhome
Firmware
Products
CAD
Contact us
sales@k2audio.co.uk
K2Audio Ltd
28 Parker House
Mansfield Rd
Derby DE21 4SZ
See the full range
www.k2audio.co.uk
Follow Us
Facebook